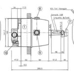
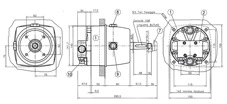
GM70/60

Art. GM70/60 – GM70/68 Pompa

Pompa a montaggio frontale.

GM70/60
Capacità: 56 cm³

GM70/68
Capacità: 68 cm³

Richiedi informazioni

    Ho letto e accetto l’informativa relativa al Trattamento dei Dati Personali ai sensi del Regolamento UE 2016/679 artt. 13 e 14. (*)

    This site is registered on wpml.org as a development site.